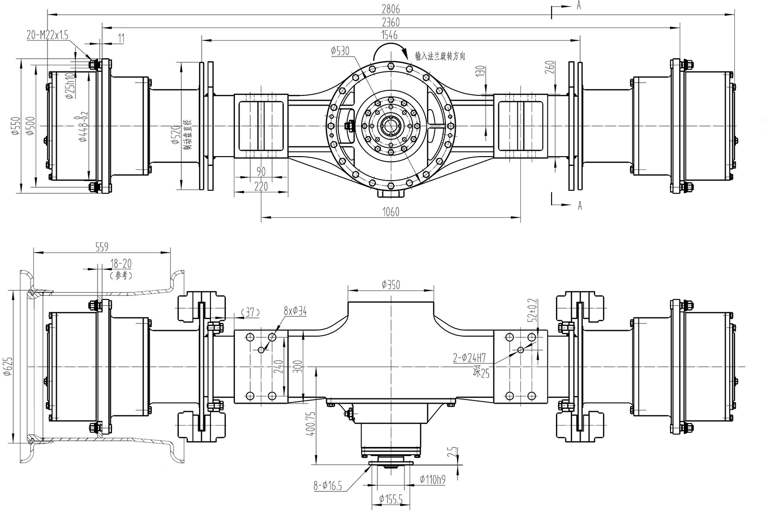
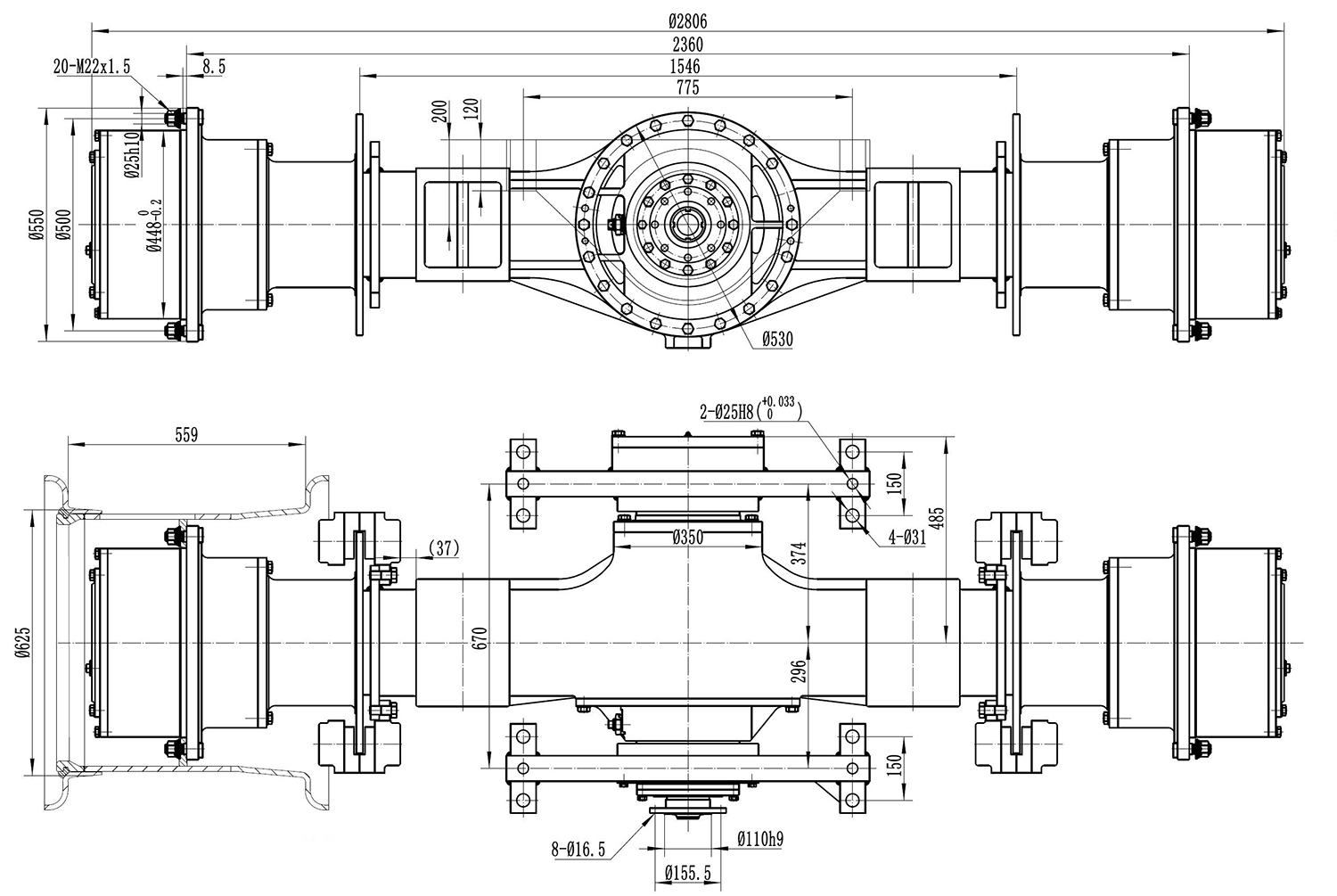
QWL70 Wheel Loader Drive Axle
Characteristics:
- Two-stage decelerating mechanism is adopter for the drive axle.
- The spiral bevel gears with great load-carrying capacity and high efficiency are adopter for the main transmission.
- The hub includes the planetary decelerating-mechanism.
- The main reducer is equipped with the commonbevel-gear differential mechanism with simplestruture and flexibele differential function.
- Ductile iron serves as the material for the axlehousing.
- The brake in clamp-disc braking mode with fourbrake calipers,has great braking moment.
- The drive axle is suitable for the 7 ton loader.
Technical parameter
| Main reducer ratio | 5.143 | |
| Reduction ratio at wheel | 4.8 | |
| Total reduction ratio | 24.686 | |
| Axle load | 60000Kg | |
| Input torque | 8500N.m | |
| Brake | Axle brake torque | 88330N.m |
| Braking oil pressure | 11MPa | |
| Brake displacement | 45ml | |



