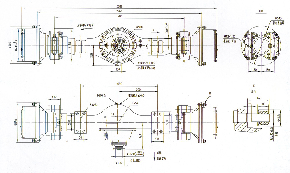
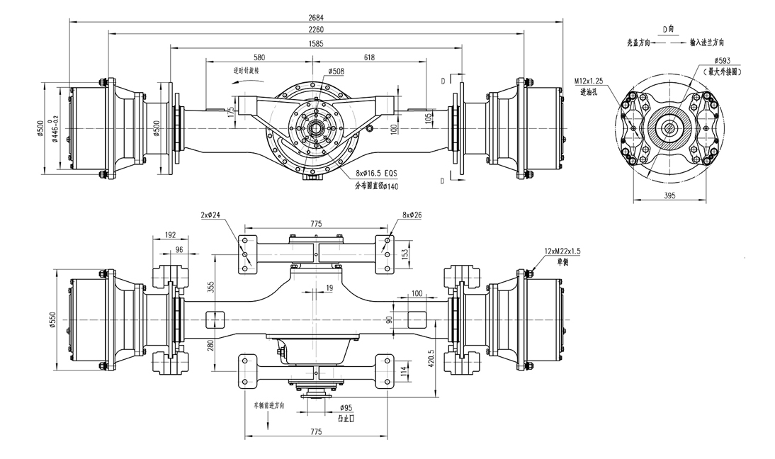
QWL60 Series Wheel Loader Drive Axle
Characteristics:
- Two-stage decelerating structure is adopted for the drive axle.
- The spiral bevel gears with great load-carrying capacity and high efficiency are adopted for main drive.
- The wheel is planetary decelerating structure.
- The main reducer is equipped with the common bevel-gear differential mechrmism simple slructure and flexible differential fimctum.
- The cast steel with adequate rigidity servers as material for the axle housing.
- The brakein clamydisc braking mode has great braking moment.
- The drive axle is suitable for the ZL60 loader and 220horsepower tractor.
Technical parameter
| Model | QWL60 | QWL60D | QWL60G | |
| Speed ratio of the main reducer | 3.7 | 4.22 | 4.22 | |
| Reduction ratio at wheel | 5.6 | 5.6 | ||
| Total speed ratio | 20.72 | 23.64 | 23.64 | |
| Axle load | 33000Kg | 33000Kg | ||
| Input turque | 6200N.m | 6200N.m | ||
| Brake | Cylinder diameter | Ф75 | Ф75 | |
| Number of cylinder | 4 | 4 | ||
| Oil-tube connector | M12×1.25 | M12×1.25 | ||
| Braking oil pressuer | 9.8MPa | 9.8MPa | ||
| Brake radius | R187.5mm | R201.5mm | ||
| Brake moment | 11500N.m/pc | 12200N.m/pc | ||




