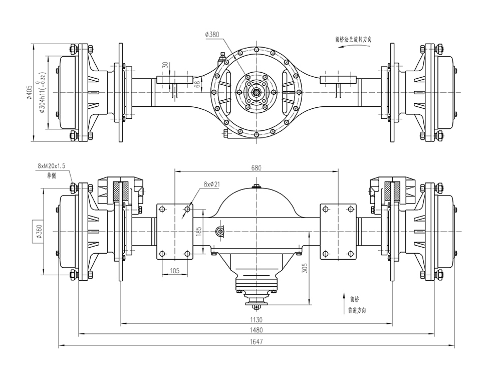
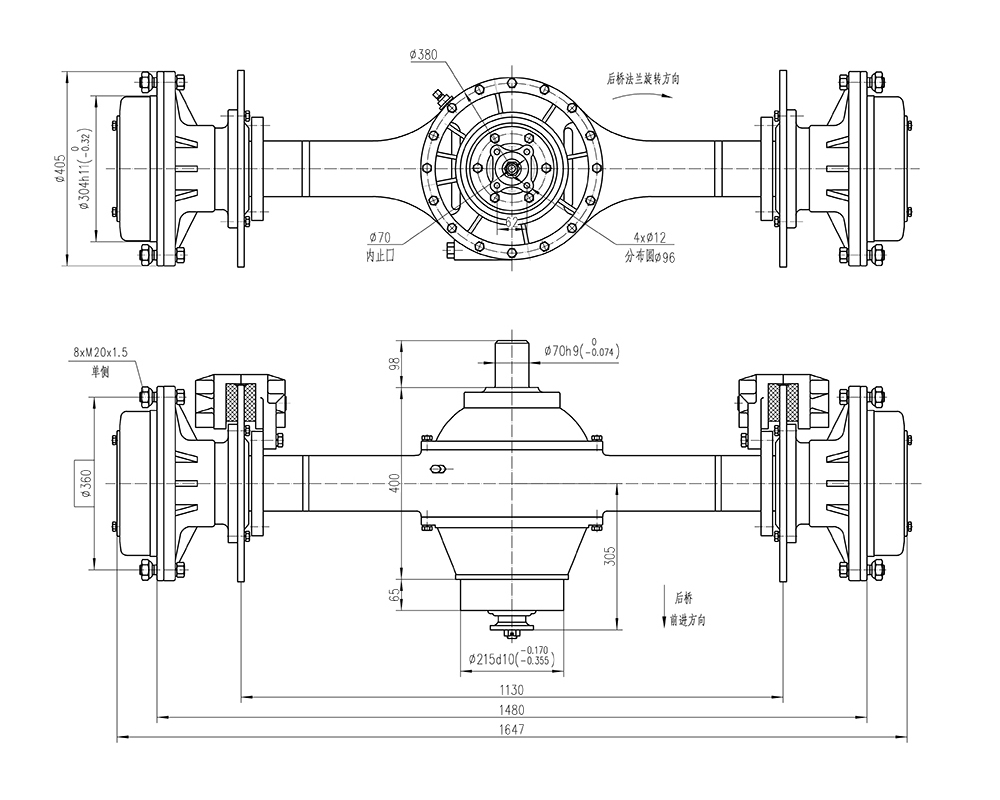
QWL15J Wheel Loader Drive Axle
Characteristics:
- Two-stage decelerating stucture is adopted for the drive axle.
- Spiral bevel gears with great bearing capacity,high and high efficiency are adopted for main tansmission.
- The wheel is planetry decelerating structure.
- The main reducer is equipped with the common bevel-gear differential mechanism with simple structure and flexible differential function.
- Cast steel with adequate rigidity serves as material for the axle housing.
- The drive axles with either of the two turning directions are provided for users’option.
- The brake in clamp-disc braking mode has great braking moment.
Technical parameter
| Paramerers | ZL15J | ZL20F | |
| Main reducer ratio | 6.667 | 6.667 | |
| Transmission ratio at wheel | 3.23 | 3.9 | |
| Overall transmission ratio | 21.53 | 26 | |
| Axle load | 8500Kg | 8500Kg | |
| Input torque | 900N.m | 900N.m | |
| Brake | Number diameter | 2 | |
| Cylinder diameter | Ф75 | ||
| Braking oil pressure | 9.8MPa | ||
| Brake radius | R167mm | ||
| Brake moment | 4300N.m/pce | ||



