QWL15F Wheel Loader Drive Axle
Characteristics:
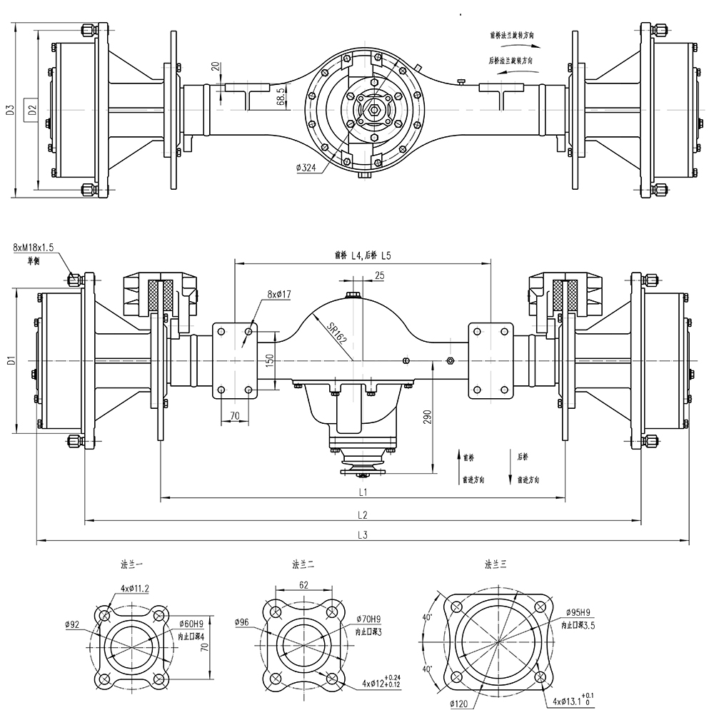
- Two-stage decelerating stucture is adopted for the drive axle.
- Spiral bevel gears with great load-carrying capacity and high efficiency are adopted forthe main transmission.
- The wheel is planetary decelerating structure.
- The main reducer is equipped with the common bevel-gear differential mechanism with simple structure and flexible differential function.
- Cast steel with adequate rigidity serces as material for the axle housing.
- The brake in clamp-disc braking mode has great braking moment.
- Three types of input flanges are provided for users’ option.
| QWL10B | QWL15F / QWL15F(A) | QWL16E | QWL16D | |
| L1 | 1039 | 1040 | 1132 | 1040 |
| L2 | 1390 | 1430 | 1482 | 1390 |
| L3 | 1637 | 1677 | 1729 | 1637 |
| L4 | 670 | 658 | 793 | 658 |
| L5 | 670 | 720 | 793 | 720 |
| D1 | ϕ340H11 | ϕ374H11 | ϕ315H11 | ϕ315H11 |
| D2 | ϕ377 | ϕ414 | ϕ380 | ϕ380 |
| D3 | ϕ416 | ϕ454 | ϕ420 | ϕ420 |
| R1 | R157 | R167 | R162 | R162 |
| R2 | R227 | R227 | R232 | R232 |
Technical parameter
QWL10B QWL15F QWL15F(A) QWL16D QWL16E Main reducer ratio 5.833 5.833 5.833 5.833 5.833 Transmission ratio at wheel 3.23 3.9 3.23 4.4 4.4 Overall transmission ratio 18.84 22.75 18.84 25.665 25.665 Axle load 7500Kg 7500Kg 7500Kg 7500Kg 7500Kg Input torque 785N.m 785N.m 785N.m 785N.m 785N.m Brake Number of cylinder 2 2 2 2 2 Cylinder diameter Ф75mm Ф75mm Ф75mm Ф75mm Ф75mm Braking oil pressure 9.8MPa 9.8MPa 9.8MPa 9.8MPa 9.8MPa Braking radius R157 R167 R167 R162 R162 Brake moment 4070N.m 4300N.m 4300N.m 4300N.m 4300N.m


