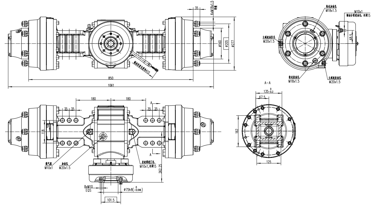
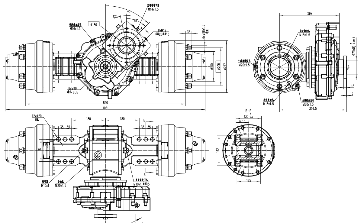
QWL09 Hydraulic Drive Axle
Characteristics:
QWL09Q
QWL09H
Technical parameter
| Main reducer ratio | 2.235 | Hydraulic wet-type ,100% lock-up | |||
| Reduction ratio at wheel | 4.8 | Differential lock control oil pressure | 2.5MPa | ||
| Reduction gearbox speed ratio | 2.5 | Differential lock control oil port | M10 x 1 | ||
| Total reduction ratio | 26.82 | Oil filling mass | Main reducer and both sides pf wheel | 6L | |
| Gearbox | 0.5l | ||||



