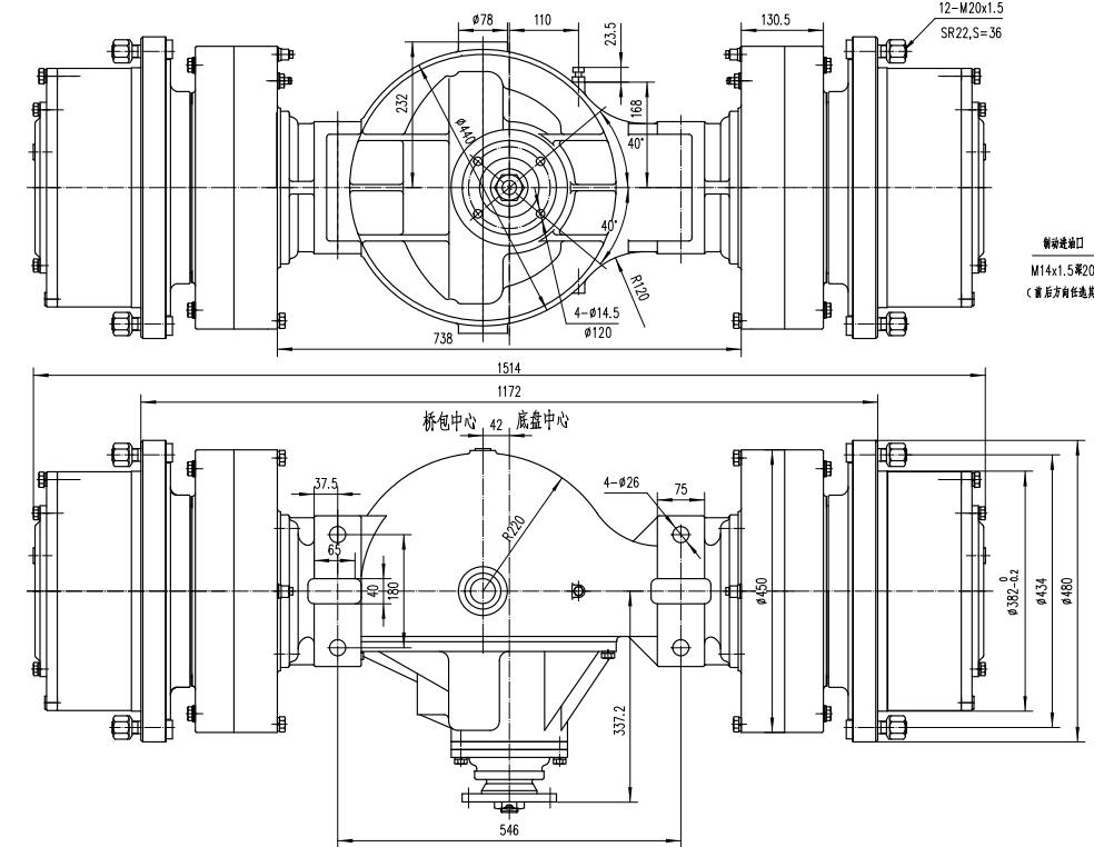
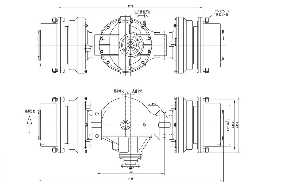
QUE36S Series Underground Wheel Loader Drive Axle
Characteristics:
- Suitable for underground dquipment such as 1.5 cubic bowl scraper.
- The Axle housing adopts integral cast steel axle housing with compact structure and small track.
- Adopting two-stage reduction transmission mechanism namely spiral bevel gear reduction mechanism,the input torque is large and the transmission efficiency is high.
- The brake is a normally closed multi-disc wet brake.after being installed on the wheel side recuction planetary gear,the brake hub,the spring is pressed,the hydurulic pressure is released,and the braking performance is good.
Technical parameter
| Model No. | QUE36S | ||
| Main reducer speed ratio | 5.286 | ||
| Wheel hub speed ratio | 5.333 | ||
| Total speed ratio | 28.19 | ||
| Axle load | 18500Kg | ||
| Input torque | 2800N.m | ||
| Brake | Brake type | normally opened type | |
| Oil-tube connector | M14×1.5 | ||
| Brake displacement | initial state | 40 | |
| when the friction plate wears the most | 80 | ||
| Braking torque(per axle) | brake oil pressure MPa | brake torque N.m | |
| 6 | 14000 | ||
| 6.5 | 15200 | ||
| 7 | 16500 | ||
| 7.5 | 17570 | ||
| Model No. | QUE35SA | ||
| Main reducer speed ratio | 5.286 | ||
| Wheel hub speed ratio | 4.8 | ||
| Total speed ratio | 25.37 | ||
| Axle load | 18500Kg | ||
| Input torque | 2300N.m | ||
| Brake | Brake type | normally closed type | |
| Oil-tube connector | M14×1.5 | ||
| Brake release displacement | initial state | 40 | |
| when the friction plate wears the most | 75 | ||
| brake release oil pressure | 6.9pa | ||
| Braking torque(per axle) | initial state | 16020N.m | |
| 0.5mm friction plate wears | 15180N.m | ||
| 1mm friction plate wears | 14340N.m | ||
| 1.5mm friction plate wears | 13490N.m | ||
| 2mm friction plate wears | 12650N.m | ||
| 2.5mm friction plate wears | 11810N.m | ||



